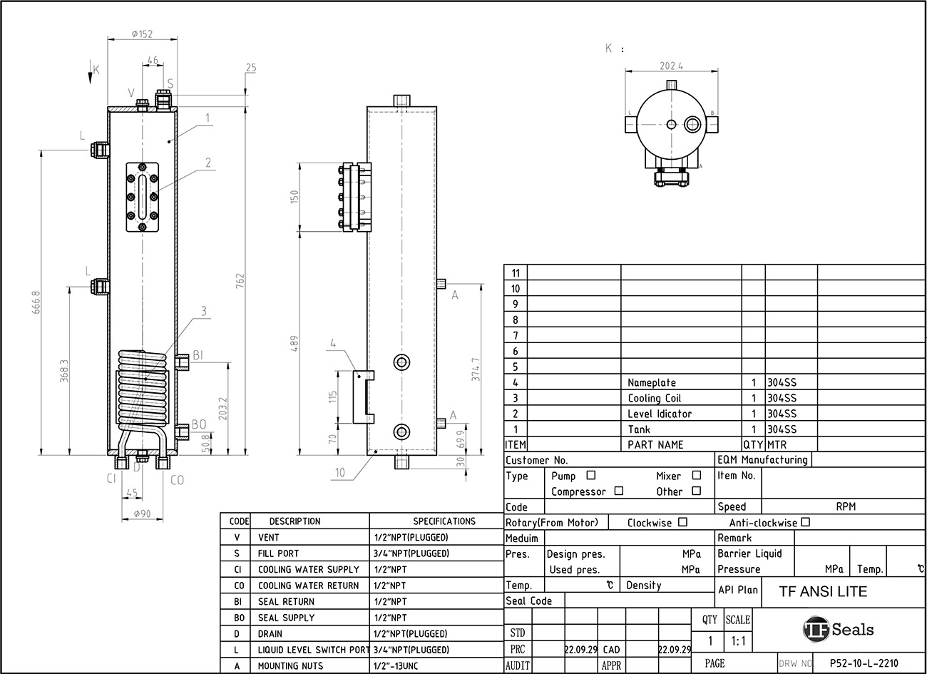
TFV-ANSI Series is designed for a general service tandem or dual seal application for lower temperatures and pressures. It's designed to support liquid buffer fluid for a containment seal chamber.
Features:
- 304 stainless steel construction
- 6-inch body with flat bottom and top
- Tubular level gauge or Flat armor level gauge
- Liquid filled pressure gauge
- Orifice union
- Ball valves on vent and drain
- Closed loop arrangement for monitoring the inboard seal

1.713.568.5547
1.713.758.0388
21247 FM 529
Cypress, TX 77433
USA
sales@TFSealsUSA.com
Copyrighte 2024 TF Seals All Rights Reserved. Privacy Policy

1.713.568.5547
sales@TFSealsUSA.com